ફિક્શ્ચરના મહત્ત્વપૂર્ણ ભાગ

@@NEWS_SUBHEADLINE_BLOCK@@

Udyam Prakashan Gujrati    18-Nov-2020
Total Views |
 
 

પાછલા લેખમાં આપણે અમુક ક્લૅમ્પ વિશે જાણકારી મેળવી હતી. આ લેખમાં આપણે જિગ તથા ફિક્શ્ચરમાં ઘણી વાર ઉપયોગમાં લેવાતા કેટલાક યંત્રભાગો (મશીન પાર્ટ) વિશે જાણકારી મેળવીશું, જે નીચે વર્ણવેલ પ્રકારના હોય છે:

1. 'T' નટ (IS:2015)
2. ટેનન (IS:2990)
3. બુશ (IS:666.1)(IS:666.2)
અ. લાઈનર બુશ
બ. ફિક્સ બુશ
ક. રિન્યુએબલ બુશ
ડ. સ્લિપ બુશ
4. ક્લૅમ્પ સ્ટડ (IS:13178)
5. હીલ પિન
6. કોનિકલ સીટ તથા સ્ફેરિકલ વૉશર (IS:4297)
7. રેસ્ટ પૅડ


'T' નટ
આ નટનો આકાર અંગ્રેજી અક્ષર 'T' જેવો હોય છે, એટલે એને 'T' નટ કહેવાય છે. 'T' નટ કેવી રીતે કાર્ય કરે છે, એ ચિત્ર ક્ર. 1 અ થી જાણવા મળે છે. જ્યારે કાર્યવસ્તુ સીધી મશીનના ટેબલ પર જ પકડવાની હોય છે, ત્યારે સામાન્ય રીતે આનો ઉપયોગ કરાતો હોય છે.


1_1  H x W: 0 x

2_1  H x W: 0 x 

3_1  H x W: 0 x 
 
મશીનનો ખાંચો (સ્લૉટ) જે માપનો હોય, એજ માપનો 'T' નટ લો, જેમ કે 16 મિમી., 18 મિમી. વગેરે. ચિત્ર ક્ર. 1 બ માં દર્શાવ્યા મુજબ 'A' માપ મશીન ટેબલના ખાંચાના માપ સમાન હોય છે. ‘T’ નટ માં સ્ટડ સજ્જડ રીતે બેસાડવામાં આવ્યું હોય છે. કાર્યવસ્તુની ઉપરી બાજૂએ વૉશર હોય છે. એની ઉપર ક્લૅમ્પ નટ હોય છે. જેમ જેમ આપણે એ નટને વધુને વધુ કસતા જઈએ, સ્ટડ 'T' નટને ઉપરની તરફ ઊંચકે છે અને 'T' ખાંચાની નીચે કસીને બેસાડેલ હોવાથી એનું વધુ ઉપર ઉંચકાવું અટકી જાય છે પણ નટનું નીચે આવવું ચાલુ જ રહે છે. વૉશરની મદદથી કાર્યવસ્તુને કસીને પકડવામાં આવે છે. દરેક જગ્યાએ વપરાતો આ 'T' નટ ખૂબ જ ઉપયોગી હોય છે.

ટેનન
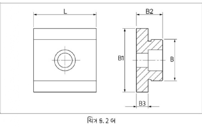
આ યંત્રભાગ ફિક્શ્ચરમાં અત્યંત મહત્ત્વપૂર્ણ ભૂમિકા ભજવે છે. હંમેશા ફિક્શ્ચરની નીચેની તરફ 2 ટેનનનો ઉપયોગ કરવામાં આવતો હોય છે.

ચિત્ર ક્ર. 2 અ દર્શાવે છે કે ટેનન કેવી રીતે બેસાડવામાં આવે છે. ફિક્શ્ચરની બન્ને તરફ ટેનનના માપના, H7 ટોલરન્સવાળા, ખાંચા બનાવીને એમાં સ્ક્રૂની મદદથી ટેનન બેસાડવામાં આવે છે. ચિત્ર ક્ર. 2 બ માં ટેનનનું રેખાચિત્ર દર્શાવવામાં આવ્યું છે. B1 માપના 2 સ્લૉટ ફિક્શ્ચરની બન્ને બાજૂએ બનાવવામાં આવે છે અને એ ખાંચામાં આ ટેનન બેસાડવામાં આવે છે. B1 તથા B માપ એકબીજાથી સમાંતર હોય છે. આમાંથી B1 એક માસ્ટર માપ છે, જે ફિક્શ્ચરમાં બેસે છે. આમ ફિક્શ્ચર હંમેશા કટરના માર્ગથી અર્થાત ટેબલ ફીડથી સમાંતર જ હોય છે. જ્યારે વર્ટિકલ મિલિંગ મશીન પર માત્ર સપાટી બનાવાની હોય ત્યારે ટેનન જરૂરી નથી હોતું. આ ટેનન કઠણ (હાર્ડન) કરવામાં આવેલ હોય છે.


4_1  H x W: 0 x
 

5_1  H x W: 0 x 
અલગ અલગ પ્રકારના બુશ
અ. લાઈનર બુશ : આ પ્રકારના બુશ હાર્ડન અથવા તો કેસ હાર્ડન કરવામાં આવે છે. જ્યારે પિન તથા માળખા પર (પ્લેટમાં) રહેલા છિદ્રો ઘસાઈને બગડવાની સંભાવના હોય છે, ત્યારે આ પ્રકારના લાઈનરનો ઉપયોગ કરવામાં આવે છે. આમાં બે પ્રકારના લાઈનર હોય છે, હેડેડ (કૉલર સાથે) અને હેડલેસ (વિના કૉલર). એ હંમેશા પ્રેસ ફિટ પદ્ધતિ દ્વારા ફિક્શ્ચરમાં બેસાડવામાં આવે છે. એનો ઉપયોગ કેવી રીતે કરવામાં આવે છે, એ આપ ચિત્ર ક્ર. 3 અ તથા 3બ જોઈને જાણી શકશો. ચિત્ર ક્ર. 3 અ માં વિના કૉલરનું લાઈનર દર્શાવવામાં આવ્યું છે. 'B' વ્યાસમાં એ પ્રેસ ફિટ કરીને બેસાડેલો હોય છે. 'A' વ્યાસ H7 ટૉલરન્સમાં નિયંત્રિત કરવામાં આવે છે. આ કારણે એમાં બેસાડવામાં આવેલ બુશ સહેલાઈથી કાઢી અને ફિટ કરી શકાય છે. બાહ્ય અને આંતરિક વ્યાસ ગ્રાઇન્ડિંગ કરેલ અને સમકેન્દ્રી (કૉન્સેન્ટ્રિક) હોય છે. 'B' વ્યાસ પર દર્શાવેલ લીડ દ્વારા પ્લેટ પર રહેલ H7 છિદ્રમાં લાઈનર, વિના કોઈ તકલીફે તદ્દન યોગ્ય રીતે બેસી જાય છે. ચિત્ર ક્ર. 3 બ દ્વારા આપણે જાણી શકીયે છે કે લાઈનર કેવી રીતે ફિટ થાય છે. જ્યાં ઘસારો થવાની સંભાવના હોય ત્યાં એ ઉપયોગી સાબિત થાય છે. એનાથી એ વસ્તુની આવરદા વધે છે. જ્યારે કાર્યવસ્તુ પર થનારા છિદ્રોની વચ્ચેનું અંતર ઓછું હોય છે, ત્યારે આ પ્રકારના લાઈનરનો ઉપયોગ કરવો અત્યંત જરૂરી બની જાય છે. ચિત્ર ક્ર. 4 અ અને 4 બ માં હેડેડ કૉલર લાઈનર દર્શાવવામાં આવેલ છે. કૉલરની નીચે અન્ડરકટ/ગ્રુવ બનાવવામાં આવેલ હોય છે. આ કારણે લાઈનર છિદ્રમાં બરાબર બેસે છે. જ્યારે ડ્રિલ બુશમાં પ્રવેશ કરે છે ત્યારે લાઈનર પર દબાવ આવી જાય છે. આ ક્રિયા વારંવાર થવાને કારણે લાઈનર નીચે તરફ નીકળી શકે છે, પણ કૉલરને કારણે એજ જગ્યાએ અટકી રહે છે. એટલા માટે મોટે ભાગે કૉલર વાળા લાઈનરનો ઉપયોગ કરવામાં આવતો હોય છે. ડિઝાઈન કરતી વખતે ઘણી જગ્યાએ લાઈનરનો ઉપયોગ થાય છે. એટલી હદ સુધી કે I.C. એન્જિનમાં પણ એન્જિનની આવરદા વધારવા માટે મેન બૅરલમાં લાઈનર બેસાડવામાં આવે છે. લાઇનરનો પહેલો સેટ ખરાબ થઇ જાય, ત્યાર પછી એને બદલીને જરૂરી મશીનિંગ કરીને ફરી એ જ એન્જિન પૂર્વવત કામ કરી શકે છે.

6_1  H x W: 0 x
 

7_1  H x W: 0 x 
 
બ. ફિક્સ જીગ બુશ (કસીને સજ્જડ રીતે બેસાડવામાં આવેલ) : જિગ બુશ બે પ્રકારના હોય છે, કૉલર વાળા અને કૉલર વગરના. લાઈનર અને જિગ બુશના આંતરિક વ્યાસનું ટૉલરન્સ અલગ અલગ હોય છે. આ બુશ જિગમાં પ્રેસ ફિટ કરીને બેસાડવામાં આવે છે. આ જિગ બુશ કઠણ કરવામાં આવે છે. લાઈનરમાં બુશ બેસી જાય છે પણ જિગ બુશમાં ડ્રિલ પ્રવેશ કરે છે. ડ્રિલિંગ દરમિયાન આ બુશમાંથી ચિપ બહાર નીકળવાના સમયે થનારા ઘર્ષણને કારણે જિગ બુશ પ્લેટની ઉપર નીકળીને આવી શકે છે. એટલે આ પ્રકારના બુશ ત્યારે જ ઉપયોગમાં લેવામાં આવે છે જ્યારે કાર્યવસ્તુઓ ઓછી સંખ્યામાં બનાવાની હોય. જ્યારે આ સંખ્યા વધુ હોય ત્યારે અલગ વ્યવસ્થા કરવામાં આવે છે, જેથી ચિપ વડે બુશ ઉપર ન નીકળે. આ આપણે સ્લિપ બુશમાં જોઈશું.
ક. રીન્યુએબલ બુશ (બદલવા યોગ્ય) : જ્યારે માત્ર એક જ માપના ડ્રિલનો ઉપયોગ કરવાનો હોય ત્યારે રીન્યુએબલ બુશનો ઉપયોગ કરવામાં આવે છે. ઉપયોગ બાદ આ બુશ ખરાબ થઈ જાય તો એને કાઢીને નવા બુશ નાંખવા પડે છે. આને સ્લિપ રીન્યુએબલ બુશ કહેવાય છે. ચિત્ર ક્ર. 5 અ માં આ બ્લઁક દર્શાવ્યુ છે. છિદ્ર ન હોય તેવા તથા સેમિફિનિશ કરેલ બુશને બ્લઁક કહેવાય છે. જયારે લૉકિંગ સ્ક્રૂ ખાંચા 'A' માં બેસી જાય છે ત્યારે આ બુશ સ્લિપ રીન્યુએબલ બુશની જેમ જ કામ કરે છે. ચિત્ર ક્ર. 5 બ જુઓ. બુશમાંથી ઉપર આવતી ચિપ બુશને ઉપર તરફ ધકેલે છે, પરંતુ લૉકિંગ સ્ક્રૂને કારણે બુશ એ જ જગ્યાએ અટકી જાય છે અને ગોળ પણ નથી ફરી શકતું. આ કારણે બુશનો આંતરિક વ્યાસ ધીમે ધીમે બગડવા લાગે છે અને થોડો સમય જતાં નવો બુશ નાખવો પડે છે. કેમ કે લાઈનરનો આંતરિક વ્યાસ કઠણ કરેલો હોય છે, એ ક્યારેય ખરાબ નથી થતો.

8_1  H x W: 0 x

9_1  H x W: 0 x 
 
ડ. સ્લિપ બુશ (કાઢીને બેસાડવા યોગ્ય) :

સ્લિપ બુશ તથા સ્લિપ રીન્યુએબલ બુશ, એક જ બ્લઁકથી બનાવવામાં આવે છે. જ્યારે લૉકિંગ સ્ક્રૂ ખાંચા 'B' માં બેસી જાય છે, ત્યારે આ બુશ સ્લિપ બુશ તરીકે કાર્ય કરે છે. ચિત્ર ક્ર. 5 બ જુઓ. જ્યારે એક જ કેન્દ્રબિંદુ પર અનેક ટૂલનો ઉપયોગ કરવાનો હોય, ત્યારે આ બુશનો ઉપયોગ ખૂબ સરળતાથી કરી શકાય છે. ધારો કે આપણે Ø10.0 મિમી. વ્યાસનું H7 ફિનિશ વાળું એક છિદ્ર બનાવવું છે. એ માટે આપણે Ø9.5 મિમી. ડ્રિલ, Ø 14 મિમી. ડ્રિલ (ચૅમ્ફર માટે) અને Ø10 મિમી. ડ્રિલ (રીમર માટે), આ ત્રણેય ટૂલનો ઉપયોગ એક જ કેન્દ્રબિંદુ પર કરવાનો છે. આવી સ્થિતિમાં 9.5, 14.0, 10.0 મિમી. વ્યાસના અલગ અલગ ત્રણ સ્લિપ બુશનો ઉપયોગ કરવો જરૂરી છે. Ø9.5 મિમી. ડ્રિલનું કામ પતી જાય, ત્યાર બાદ ડ્રિલ તથા બુશ કાઢીને એ સ્થાને Ø14.0 મિમી. નું ડ્રિલ અને બુશનો ઉપયોગ, ચૅમ્ફર માટે કરવો પડે છે. એના પછી Ø10.0 મિમી. ના રીમર તથા બુશના ઉપયોગ દ્વારા છિદ્રને ફિનિશ કરવામાં આવે છે. આ પ્રકારે Ø10.0 મિમી. નું H7 છિદ્ર બનાવવા ત્રણ વાર ટૂલ તથા બુશ બદલવા પડે છે. આ બુશ બદલવામાં અત્યંત ઓછો સમય લાગતો હોય છે. કેમ કે બુશની આગળની તરફ ચૅમ્ફર હોય છે, એટલે એને લાઈનરમાં નાખવામાં કોઈ તકલીફ નથી પડતી. નિશ્ચિત સમયગાળા બાદ આ બુશ કાઢી નાંખીને નવા બુશનો ઉપયોગ કરવામાં આવે છે. ડ્રિલિંગ મશીન સ્પિન્ડલ પર તત્કાળ ટૂલ બદલનાર ચક હોલ્ડર (ક્વિક ચેન્જ ડ્રિલ ચક) નો ઉપયોગ કરવામાં આવે છે. આ કારણે સ્પિન્ડલ રોક્યા વિના જ ટૂલ બદલી શકાય છે. આ પ્રકારના ધારકમાં રેડિયલ અને સમાંતર ફ્લોટ હોય છે. એ કારણે મશીનના અક્ષ અને ફિકશ્ચરના અક્ષમાં મામુલી ફરક હોય તો પણ કાર્યવસ્તુની ગુણવત્તા પર કોઈ અસર પડતી નથી.

કોનિકલ સીટ તથા સ્ફેરિકલ વૉશર
આનો ઉપયોગ ઘણી મોટી માત્રામાં થાય છે. વાસ્તવમાં આના વગર જિગ બને જ નહિ કેમ કે કાર્યવસ્તુ પકડવા માટે ક્લૅમ્પ જરૂરી હોય છે. જેમ ચિત્ર ક્ર. 6 અ માં દર્શાવવામાં આવેલ છે, હીલ પિનની ઊંચાઈ જરૂરિયાત પ્રમાણે ઓછી કે વધુ કરી શકાય છે. પરંતુ કાર્યવસ્તુના માપમાં ફરક હોય છે, જેનાથી ક્લૅમ્પ ત્રાંસો (ઇન્ક્લાઇન) થાય છે. આ સ્થિતિને અનુરૂપ થવા માટે કોનિકલ સીટ (ચિત્ર ક્ર. 6 અ) તથા સ્ફેરિકલ વૉશર (ચિત્ર ક્ર. 6 ક) નો ઉપયોગ કરવો પડે છે. આનાથી ભલે કાર્યવસ્તુના માપમાં ફરક હોય, તો પણ એ કસીને સજ્જડ રીતે પકડેલી રહે છે. અહીં પ્લેન વૉશરની મદદથી કાર્યવસ્તુને પ્રભાવશાળી રીતે પકડી નથી શકાતી. ક્લૅમ્પ સ્ટડ અને હીલ પિનની કામગીરી વિશે આપણે પહેલેથી જ જાણકારી મેળવેલી છે.



10_1  H x W: 0




11_1  H x W: 0
 
12_1  H x W: 0
 
રેસ્ટ પૅડ (રિલીફ સાથે)

13_1  H x W: 0
આ પ્રકારના પૅડ બનાવીને રાખવામાં આવતા હોય છે, જેથી કાર્યવસ્તુ જિગમાં સજ્જડ રીતે બેસી શકે. કાર્યવસ્તુની સાથે સતત સંપર્કમાં રહેવાથી એ ઘસાઈ જાય છે અને ગમે ત્યારે તૂટી શકે છે. એટલે એમનું માનકીકરણ (સ્ટાન્ડર્ડાઈઝેશન) કરવામાં આવે છે તથા એમાં નવા ભાગો તાત્કાલિક બેસાડવામાં આવે છે. એમની જાડાઈ (H) બહુ ચોકસાઈપૂર્વક નિયંત્રિત કરવામાં આવે છે (ચિત્ર ક્ર. 7). આ પૅડ કઠણ બનાવ્યા બાદ જ ઉપયોગમાં લેવાય છે. આ કપ, સ્ક્રૂની મદદથી જિગ પર બેસાડવામાં આવે છે. એ બાબતનો ખાસ ખ્યાલ રાખવામાં આવે છે, કે એનો કાર્યવસ્તુ સાથે સંપર્ક ઓછામાં ઓછો થાય.

જિગ અને ફિકશ્ચરમાં હંમેશા ઉપયોગમાં લેવાતા કેટલાક ભાગો વિશે આપણે જાણકારી મેળવી છે. સામાન્ય રીતે ઉપયોગમાં લેવાતા હોય છે એવા હજુ કેટલાક ભાગોની જાણકારી આપણે આગળના લેખમાં મેળવીશું જે. સાથે સાથે જૅક સપોર્ટ અને એના કાર્ય વિશે પણ જાણકારી મેળવીશું.


@@AUTHORINFO_V1@@