ક્લૅમ્પ

@@NEWS_SUBHEADLINE_BLOCK@@

Udyam Prakashan Gujrati    14-Oct-2020
Total Views |
લેખમાળા - જિગ્જ અને ફિક્શ્ચર્સ
 
 
જિગ્જ અને ફિક્શ્ચર્સ એ લેખમાળાના આ પહેલાના પાઠમાં આપણે અમુક લોકેટર અને ક્લૅમ્પને વિશે માહિતિ મેળવી હતી. આ લેખમાં આપણે ક્લૅમ્પને વિશે વધુ જાણકારી મેળવીશું.
 
ગત લેખમાં આપણે જોયું કે ક્લૅમ્પિંગ સિસ્ટમ (કાર્યવસ્તુ પકડવાની પ્રણાલી) નક્કી કરતી વખતે કેટલાક મહત્વપૂર્ણ મુદ્દાઓનો વિચાર કરવો જરૂરી છે. ક્લૅમ્પની નીચે આધાર હોવો આવશ્યક છે. જો આધાર ન હોય તો કાર્યવસ્તુ ઉપર ઉઠશે નહિ તો દબાશે અથવા આડીઅવળી થઈ જશે. ચિત્ર ક્ર. 1 માં સાચી અને ચિત્ર ક્ર. 2 માં ખોટી ક્લૅમ્પિંગ સિસ્ટમ દર્શાવેલ છે. ખોટી સિસ્ટમમાં તમે જોઈ શકો છો કે ક્લૅમ્પિંગ કરનારા સ્ક્રૂ આધારના બહારની તરફ છે, એટલે કાર્યવસ્તુ દબાયેલી દેખાય છે. આવી રીતે ક્લૅમ્પિંગ કરવું ભૂલ ભરેલું પુરવાર થશે. ચિત્ર ક્ર. 1 માં સાચું ક્લૅમ્પિંગ દર્શાવ્યું છે. તેમાં તમે જોઈ શકો છો કે ક્લૅમ્પિંગ કરનારા સ્ક્રૂ આધાર પર સાચી/યોગ્ય રીતે ભાર આપે છે તેથી જ કાર્યવસ્તુ દબાયા વિના ઉચિત રીતે પકડાયેલી છે. આ નિયમનું પાલન અનિવાર્ય છે.

2_2  H x W: 0 x 

2_1  H x W: 0 x 
 
ચિત્ર ક્ર. 3 માં દર્શાવેલ ક્લૅમ્પિંગ ઉચિત છે, કારણ કે કાર્યવસ્તુનો સાચો આધાર સામી તરફ છે, તેના કારણથી કાર્યવસ્તુ ઉપર ઉઠતી નથી. પણ ચિત્ર ક્ર. 4 માં દેખાય છે કે કાર્યવસ્તુ પર જે બળ કાર્યરત છે, તેની કાર્યરેખાની સામે આધાર ન હોવાને કારણે જ્યાં આધાર સમાપ્ત થાય છે, તે બિંદુ પર કાર્યવસ્તુ ઉપર ઉઠશે. તેનો અર્થ એ થયો કે જ્યારે આપણે બળ લગાડીએ છીએ, ત્યારે સામી બાજુએ આધાર હોવો જરૂરી છે. એટલે જ ચિત્ર ક્ર. 3 માં દેખાડેલી પદ્ધતિ સાચી છે.

4_2  H x W: 0 x
4_1  H x W: 0 x 
ચિત્ર ક્ર. 5 માં ટૂલના કાર્ય દરમ્યાન નિર્મિત થયેલા બળને કારણે કાર્યવસ્તુ આધારની તરફ ધકેલાય છે. એવી રીતે, ક્લૅમ્પના બળથી પણ કાર્યવસ્તુ આધારની તરફ ધકેલાય છે. તેનો અર્થ છે કે ટૂલ અથવા ક્લૅમ્પના કારણે નિર્માણ પામેલા બળને કારણે કાર્યવસ્તુનું સંભાવ્ય હલનચલન આધારને કારણે જ રોકાય છે. આધાર પાક્કો/મજબૂત છે, તેથી આ પદ્ધતિ ઘણી સુરક્ષિત અને સાચી છે.

6_2  H x W: 0 x 
 
હવે આપણે ચિત્ર ક્ર. 6 નું પરીક્ષણ કરીશું. આધાર માત્ર ક્લૅમ્પને કારણે ઉદ્ભવેલા બળની જાળવણી/માવજત કરે છે. અહીં ક્લૅમ્પને કારણે નિર્માણ થનાર બળ આધારની દિશામાં છે, તથા ટૂલને કારણે નિર્માણ થનાર બળ ક્લૅમ્પની દિશામાં છે. આ સંપૂર્ણ ખોટું અને અસુરક્ષિત છે. ટૂલનું બળ કોઈ પણ સ્થિતિમાં ક્લૅમ્પની દિશામાં ન હોવું જોઈએ કારણ કે જો ક્લૅમ્પ તૂટી જાય, તો કાર્યવસ્તુ ઊછળશે અને દુર્ઘટનાનું જોખમ ઊભું થશે. ટૂલનું બળ કોઈપણ સ્થિતિમાં આધારની દિશામાં હોવું જોઈએ અને આ નિયમનું પાલન દર વખતે થવું જોઈએ. તેથી જ ચિત્ર ક્ર. 6 માં દર્શાવેલી પદ્ધતિ ખોટી છે.

6_1  H x W: 0 x 
 
હવે આપણે હંમેશા વપરાતા ક્લૅમ્પના કેટલાક પ્રકારો જોશું.
1. સ્ટ્રૅપ ક્લૅમ્પ સ્લાઈડિંગ (સરકવા વાળા) અને રોટેટિંગ (ફરવા વાળા)
2. સ્વિંગ ટાઈપ ક્લૅમ્પ
3. ‘C’ વોશર ક્લૅમ્પ
4. સ્વિંગ લૅચ ટાઈપ ક્લૅમ્પ
5. વેજ ટાઈપ ક્લૅમ્પ
6. ક્વિક ક્લૅમ્પિંગ નટ
7. કૅમ ક્લૅમ્પ
8. લૅચ ક્લૅમ્પ
9. ટૉગલ ક્લૅમ્પ
10. પુશ પુલ ટૉગલ ક્લૅમ્પ
 
હવે આપણે ઉપર દર્શાવેલા ક્લૅમ્પમાંથી અમુક ક્લૅમ્પને વિશે વધુ જાણકારી મેળવીશું. સ્ટ્રૅપ ક્લૅમ્પની કાર્યપદ્ધતિ આપણે સપ્ટેમ્બર 2020 ના અંકમાં મેળવી છે.
 
સ્વિંગ ટાઈપ ક્લૅમ્પ
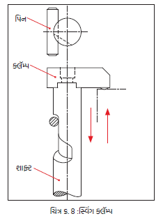
સ્વિંગ ટાઈપ ક્લૅમ્પ વપરાશમાં સરળ હોય છે અને તે અત્યંત ઝડપથી કાર્ય કરે છે. એટલે કાર્યવસ્તુને પકડવામાં બહુ ઓછો સમય લાગે છે. હવે આપણે જોશું કે ચિત્ર ક્ર. 7 માં દેખાડેલા સ્વિંગ ક્લૅમ્પના વિભિન્ન ઘટકો કેવી રીતે કાર્ય કરે છે.

8_2  H x W: 0 x 
ક્લૅમ્પિંગ સ્ક્રૂ
ક્લૅમ્પિંગ સ્ક્રૂ એક ઍલન સ્ક્રૂ હોય છે. જ્યારે આ સ્ક્રૂ ઘડિયાળની દિશામાં ફેરવવામાં આવે ત્યારે સ્વિંગ ક્લૅમ્પની સાથે તે નીચે આવવાનું શરૂ થાય છે. તેને લીધે કાર્યવસ્તુ કસીને જકડાય/પકડાય છે અને તેને વિરૂદ્ધ દિશામાં ફેરવવાથી કાર્યવસ્તુ ઢીલી થઈ જાય છે.
 
સ્વિંગ ક્લૅમ્પ : આનું કામ કાર્યવસ્તુને કસીને પકડવાનું છે. આ ક્લૅમ્પ કાર્યવસ્તુ પર સતત દબાણ આપે છે તેથી તેને ટફન કરવામાં આવે છે, ઉપરાંત તેના કાર્યવસ્તુની સંપર્કમાં આવનારા હિસ્સાને કઠણ (હાર્ડ) કરવામાં આવે છે. ટફન થવાને કારણે તેની શક્તિ વધી જાય છે અને કઠણ કરવાને કારણે ઘસારો પણ ઓછો થાય છે.
 
સ્ટૉપર પિન : આનું મુખ્ય કાર્ય છે સ્વિંગ ક્લૅમ્પને રોકી રાખવું. કાર્યવસ્તુને પકડ્યા બાદ ક્લૅમ્પ આડું થઈને પિન ‘અ’ ને સજજડપણે વળગીને કાર્યવસ્તુને કસીને જકડી રાખે છે. ઢીલુ કર્યા બાદ ચિત્ર ક્ર 7 માં દેખાડેલી રીત મુજબ તે ગોળાકાર દિશામાં ફરીને પિન ‘બ’ ને વળગી જાય છે. આ પ્રકારે કાર્યવસ્તુને મુક્ત કરી શકાય છે.
 
સ્પેસર અને ક્રૉસ પિન : સ્પેસરને ઈચ્છિત સ્થાને બેસાડવા માટે સ્પેસર અને સ્ક્રૂમાં એક ક્રૉસ પિન આરપાર બેસાડેલી હોય છે. તેના વડે ઈચ્છિત લંબાઈની સ્પ્રિંગ વાપરવી શક્ય બને છે. તેનો અર્થ, સ્પ્રિંગનું બળ જરૂરિયાત મુજબ નિયંત્રિત કરવું સંભવ બને છે. સ્પ્રિંગ હંમેશા આંતરિક કે બાહ્ય વ્યાસ પર ગાઈડ કરાય છે, તેથી તે વળ્યા વિના યોગ્ય રીતે કાર્ય કરતી રહે છે.
 
સ્પ્રિંગ : સ્પ્રિંગને કારણે ક્લૅમ્પ હંમેશા સ્ક્રૂના સંપર્કમાં રહે છે. તેથી જ એ સ્ક્રૂની સાથે ઉપર નીચે થાય છે. સ્પ્રિંગના દબાણને લીધે ક્લૅમ્પિંગ સ્ક્રૂ જે રીતે ફેરવવામાં આવશે તેજ પ્રકારે ક્લૅમ્પ પણ ફરશે. સ્પ્રિંગનું આ બીજું મહત્વપૂર્ણ કાર્ય છે. સ્પ્રિંગને કારણે ક્લૅમ્પને હાથ વડે ઉપર ખેંચવા કે ફેરવવાની જરૂર નથી રહેતી.
 
આ વિવરણથી આપના ધ્યાનમાં આવશે કે પ્રત્યેક ઘટકનું પોતાનું મહત્વ અને કાર્ય હોય છે. કોઈપણ ઘટક અનાવશ્યક નથી હોતો, અને હોવો પણ ના જોઈએ. ચિત્ર ક્ર. 8 માં એક જુદી જાતનો સ્વિંગ ક્લૅમ્પ દેખાડવામાં આવ્યો છે. આવા પ્રકારના ક્લૅમ્પ હંમેશા સ્વચાલિત ફિક્શ્ચરમાં વાપરવામાં આવે છે. જ્યારે શાફ્ટ ઉપર નીચે થાય છે ત્યારે બાજુમાં આવેલ ક્રૉસ પિન અને શાફ્ટ ઉપર સ્થિત ગ્રૂવને (ખાંચા) કારણે ક્લૅમ્પ ગોળાકાર દિશામાં ફરે છે. આ પ્રકારે શાફ્ટ ઉપર ધકેલાઈ ગયા પછી ક્લૅમ્પ ફરે છે અને કાર્યવસ્તુ બહાર કાઢવી સરળ બની જાય છે.

8_1  H x W: 0 x 
 
ચિત્ર ક્ર. 9 અ અને 9 બ માં બે અલગ જાતના સ્વિંગ લૅચ પ્રકારના ક્લૅમ્પ દર્શાવેલ છે. આ પ્રકારના ક્લૅમ્પને, ચિત્ર ક્ર. 7 અને ચિત્ર ક્ર. 8 માં દેખાડવામાં આવેલા ક્લૅમ્પની સરખામણીમાં, વધારે જગ્યાની જરૂર પડે છે અને પ્રાપ્ત બળ મર્યાદિત હોય છે. પરંતુ કાર્યવસ્તુ બેસાડવાનું અને કાઢવાનું (લોડિંગ અનલોડિંગ) વધારે સરળતાથી થાય છે. ઘણી જગ્યાએ તેનો વપરાશ કરવામાં આવે છે.

10_2  H x W: 0
10_1  H x W: 0  
 
ચિત્ર ક્ર. 10 માં કૅમ પ્રકારના ક્લૅમ્પ દેખાડવામાં આવ્યા છે. તેનું કાર્ય ગત લેખમાં વર્ણવેલ સ્ટ્રેપ ક્લૅમ્પની (ચિત્ર ક્ર. 11) જેમ હોય છે. આમાં ક્લૅમ્પિંગ નટની જગ્યાએ કૅમ હઁડલનો ઉપયોગ કરવામાં આવે છે, તથા વચમાં સ્થિત સ્ટડને ખાસ રીતે બનાવવામાં આવ્યું હોય છે. તેમાં બનાવેલા ખાંચમાં પિન નાખીને કૅમ હઁડલને બેસાડવામાં આવ્યું છે. કાર્યવસ્તુને કસીને જકડવા માટે તેને નીચે દબાવવું પડે છે અને ઢીલું કરવા તેને ઉપર ઉઠાવવું પડે છે. હંમેશા ઉપયોગ થનારા નટની સરખામણીએ તેને બહુ જ ઓછો સમય લાગે છે અને સ્પૅનરની જરૂર નથી રહેતી. જ્યારે કાર્યવસ્તુના યંત્રણની અવધિ ઘણી ઓછી હોય, ત્યારે આ પ્રકારના ક્લૅમ્પનો પ્રયોગ કરવામાં આવે છે.

12_2  H x W: 0
12_1  H x W: 0  
ચિત્ર ક્ર. 12 અને 13 માં ટૉગલ ક્લૅમ્પ દેખાડવામાં આવ્યા છે. આ ક્લૅમ્પ દ્વારા અત્યંત ઝડપથી કાર્યવસ્તુ પકડી શકાય છે. સમય ઘણો ઓછો લાગે છે અને સ્પૅનર વાપરવાની જરૂર પણ નથી રહેતી. માટે સમયની બચત થાય છે. એ સુરક્ષિત પણ હોય છે. વેલ્ડિંગ, બેંડિંગ ફિક્શ્ચરમાં ઘણી વાર આનો ઉપયોગ કરવામાં આવે છે. સાથે જ, અમુક હદ સુધી, અસેમ્બ્લી ફિક્શ્ચરમાં પણ આનો ઉપયોગ કરાય છે. પણ યંત્રણ સંબંધી કાર્યોમાં સામાન્યપણે નથી કરવામાં આવતો કારણ કે યંત્રણના કંપનથી તે ઢીલું પડી શકે છે. તેનાથી કાર્યવસ્તુ ઉછળીને દુર્ઘટના પણ ઘટી શકે છે.

14_2  H x W: 0
14_1  H x W: 0  
 
આ ક્લૅમ્પના કેટલાક પ્રકારો તૈયાર (રેડીમેડ) ઉપલબ્ધ હોય છે અને તેમનું માનકીકરણ મોટા પ્રમાણમાં કરાયેલું હોવાથી તે સરળતાથી મળે છે. સામાન્ય રૂપથી જરૂરી ક્લૅમ્પનું સંગ્રહ કરી શકાય છે જેનાથી દુરસ્તીના સમયમાં પણ બચત થાય છે.

16_2  H x W: 0  
 
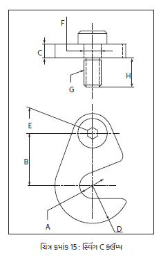
ચિત્ર ક્ર. 14 માં દેખાડવામાં આવેલો ક્લૅમ્પ હંમેશા ઉપયોગમાં લેવાય એ પ્રકારનો છે. સામાન્ય વૉશરનો ઉપયોગ કરવામાં આવે તો નટને પૂરું ખોલવું પડે છે. પરંતુ C ક્લૅમ્પનો વપરાશ કરવામાં આવે તો નટને થોડું ઢીલું કરીને કાર્યવસ્તુને ઝડપથી લોડ અનલોડ કરી શકાય છે. પરંતુ તે ખોવાઈ જવાની શક્યતા રહે છે. એટલે જ ઘણી જગ્યાએ તેને સાંકળો લગાડવી પડે છે. બીજો ઉપાય છે કે સ્વિંગ પ્રકારના C ટાઈપ ક્લૅમ્પને ડિઝાઇન કરીને તેનો ઉપયોગ કરવો, જેમ ચિત્ર ક્ર. 15 માં દર્શાવાયું છે. તેનાથી તેના ખોવાવાની શક્યતા નથી રહેતી.

16_1  H x W: 0  
આપણે હંમેશા વપરાતા ક્લૅમ્પના અમુક પ્રકારો જોયા. તેના વિવિધ નમુનાઓ હોય છે. કાર્યની આવશ્યકતા પ્રમાણે આપણે ઇચ્છિત ક્લૅમ્પને ડિઝાઇન કરી શકીએ છીએ અને કરવા પણ પડે છે. હંમેશા જરૂરી રહેતાં ક્લૅમ્પનું આપણે માનકીકરણ કરીએ તે યોગ્ય છે. તેમાં દુરસ્તી તત્કાળ થઈ શકે છે અને દુરસ્તીનો ખર્ચ પણ ઘટે છે.
 
આગામી લેખમાં આપણે જિગ અને ફિક્શ્ચરમાં હંમેશા વાપરાતા વિભિન્ન યંત્રભાગો વિશે માહિતી મેળવીશું. ત્યાં સુધી આપણી આસપાસ વપરાતા ક્લૅમ્પનું અધ્યયન અને નિરીક્ષણ કરીએ. જેટલું નિરીક્ષણ કરીશું તેટલું વધુ જ્ઞાન પ્રાપ્ત કરીશું.

 

ajit_1  H x W:  
અજિત દેશપાંડે
અતિથિ પ્રાધ્યાપક
ARAI
9011018388
 
અજિત દેશપાંડે જિગ્જ અને ફિક્શ્ચરના ક્ષેત્રમાં 36 થી વધુ વર્ષોનો અનુભવ ધરાવે છે. આપે કિર્લોસ્કર, ગ્રીવ્ઝ લોંબાર્ડિની લિ., ટાટા મોટર્સ જેવી વિભિન્ન કંપનીઓમાં વિવિધ હોદ્દાઓ પર કાર્ય કર્યું છે. ઘણી બધી અભિયાંત્રિકી મહાવિદ્યાલયોમાં અને ARAI માં આપ અતિથિ પ્રાધ્યાપક છો
 
 
 
@@AUTHORINFO_V1@@